forum.LC8.info Foren-Übersicht  
FAQFAQ Knowledge BaseKnowledge Base SuchenSuchen KarteKarte KalenderKalender FotoalbumFotoalbum RegistrierenRegistrieren ProfilProfil LoginLogin

Wegfahrsperre ausbauen?
Gehe zu Seite 1, 2  Weiter
 
Neues Thema eröffnen   Neue Antwort erstellen     forum.LC8.info Foren-Übersicht -> Adv - Technik/Reparatur Beiträge der letzten 24h (nach Forum sortiert)
Vorheriges Thema anzeigen :: Nächstes Thema anzeigen  
Autor Nachricht
desperados08Offline
LC8 Junkie
Anmeldungsdatum: 16.02.2012
Beiträge insgesamt: 369
Keine KTM

BeitragVerfasst am : Mo, 7. Dez 2015, 0:26    Titel: Wegfahrsperre ausbauen? Antworten mit Zitat

Hi, gibt es die Möglichkeit, die wegfahrsperre bei den 990 @ auszubauen? Soweit ich weiß, ist es ja ein zusätzliches Modul, dass über einen Empfänger die Zündung freigibt...

Da ich diesen unnötigen elektronikschrott nicht brauche, die Frage ob es schon jemand rausgeschmissen hat? Was muss ich dafür machen?

Danke, mfg
Nach oben
Benutzer-Profile anzeigen 
HotFireOffline
Sponsor
Sponsor
Avatar

Anmeldungsdatum: 11.04.2007
Beiträge insgesamt: 3677
Alter: 49
HABE FERTIG

BeitragVerfasst am : Mo, 7. Dez 2015, 6:14    Titel: Antworten mit Zitat

Einfach die Brücke wieder rein machen auf PIN 4 & PIN 5 am Stecker C_DJ/18 ! Kannst auch den "dummy plug" bei KTM kaufen oder den passenden Ersatzstecker und da ne Brücke aufcrimpen.

Findest Du unter dem Schminkfach:



image.jpeg
 Beschreibung:
 Dateigröße:  55.04 KB
 Angeschaut:  1700 mal

image.jpeg



image.jpeg
 Beschreibung:
 Dateigröße:  72.28 KB
 Angeschaut:  1619 mal

image.jpeg



image.jpeg
 Beschreibung:
 Dateigröße:  42.32 KB
 Angeschaut:  1679 mal

image.jpeg



_________________


KTM & HUSQVARNA - STAMMTISCH
Nach oben
Benutzer-Profile anzeigen 
desperados08Offline
LC8 Junkie
Anmeldungsdatum: 16.02.2012
Beiträge insgesamt: 369
Keine KTM

BeitragVerfasst am : Mo, 7. Dez 2015, 11:25    Titel: Antworten mit Zitat

Ja cool, danke für deine schnelle Antwort! Hast du zufällig eine Teilenummer für diesen dummyplug?
Nach oben
Benutzer-Profile anzeigen 
hakimOffline
Hinterradspezi
Anmeldungsdatum: 12.09.2013
Beiträge insgesamt: 1681
KTM 1290 SuperAdventure, 2016
 →  75.000 km

BeitragVerfasst am : Mo, 7. Dez 2015, 15:36    Titel: Antworten mit Zitat

Hallo,
ging es nun um die auf dem Foto gezeigte Alarmanlage oder die Deaktivierung der serienmäßigen Wegfahrsperre?
Hakim
Nach oben
Benutzer-Profile anzeigen 
desperados08Offline
LC8 Junkie
Anmeldungsdatum: 16.02.2012
Beiträge insgesamt: 369
Keine KTM

BeitragVerfasst am : Mo, 7. Dez 2015, 15:44    Titel: Antworten mit Zitat

Also mir ging es um die deaktivierung der serienmäßigen wegfahrsperre mit der ringantenne! Funktioniert dies auch über den Stecker der alarmanlage, oder ist dies noch ein weiteres System? wacko
Nach oben
Benutzer-Profile anzeigen 
hakimOffline
Hinterradspezi
Anmeldungsdatum: 12.09.2013
Beiträge insgesamt: 1681
KTM 1290 SuperAdventure, 2016
 →  75.000 km

BeitragVerfasst am : Mo, 7. Dez 2015, 15:57    Titel: Antworten mit Zitat

Hallo,
ist nur mein Verdacht, daß da ein Mißverständnis vorliegt... Hotfire kann sicher mehr dazu sagen. An mir ist das Thema Wegfahrsperre bislang schadlos vorübergegangen, Alarmanlage sowieso. Aber wenn man die Serienwegfahrsperre meiner ´12er einfach per Brücke deaktivieren könnte, wäre ich so froh wie Du.
Hakim
Nach oben
Benutzer-Profile anzeigen 
HotFireOffline
Sponsor
Sponsor
Avatar

Anmeldungsdatum: 11.04.2007
Beiträge insgesamt: 3677
Alter: 49
HABE FERTIG

BeitragVerfasst am : Mo, 7. Dez 2015, 17:19    Titel: Antworten mit Zitat

RICHTIG,

sag mal das Baujahr um welches es ging, dann kann ich genaue Angaben machen ! Gibt tatsächlich zwei Systeme RFID Ring mit WFS und Alarm mit Funk WFS - ich war in Gedanken bei nem 2007er Model !

LG Mark

_________________


KTM & HUSQVARNA - STAMMTISCH
Nach oben
Benutzer-Profile anzeigen 
desperados08Offline
LC8 Junkie
Anmeldungsdatum: 16.02.2012
Beiträge insgesamt: 369
Keine KTM

BeitragVerfasst am : Mo, 7. Dez 2015, 23:15    Titel: Antworten mit Zitat

Bei mir geht es ums bj 2012, also mit dem Sender im Schlüssel und der ringantenne!
Nach oben
Benutzer-Profile anzeigen 
HotFireOffline
Sponsor
Sponsor
Avatar

Anmeldungsdatum: 11.04.2007
Beiträge insgesamt: 3677
Alter: 49
HABE FERTIG

BeitragVerfasst am : Di, 8. Dez 2015, 5:23    Titel: Antworten mit Zitat

desperados08 @ Mo, 7. Dez 2015, 23:15 hat folgendes geschrieben:
Bei mir geht es ums bj 2012, also mit dem Sender im Schlüssel und der ringantenne!


Dann vergiss mal schnell was ich gesagt habe, diese Technik ist eben so verwoben, das Sie sich nicht mal eben entfernen lässt.

_________________


KTM & HUSQVARNA - STAMMTISCH
Nach oben
Benutzer-Profile anzeigen 
RaseacOffline
Fahrschüler
Anmeldungsdatum: 23.05.2017
Beiträge insgesamt: 3

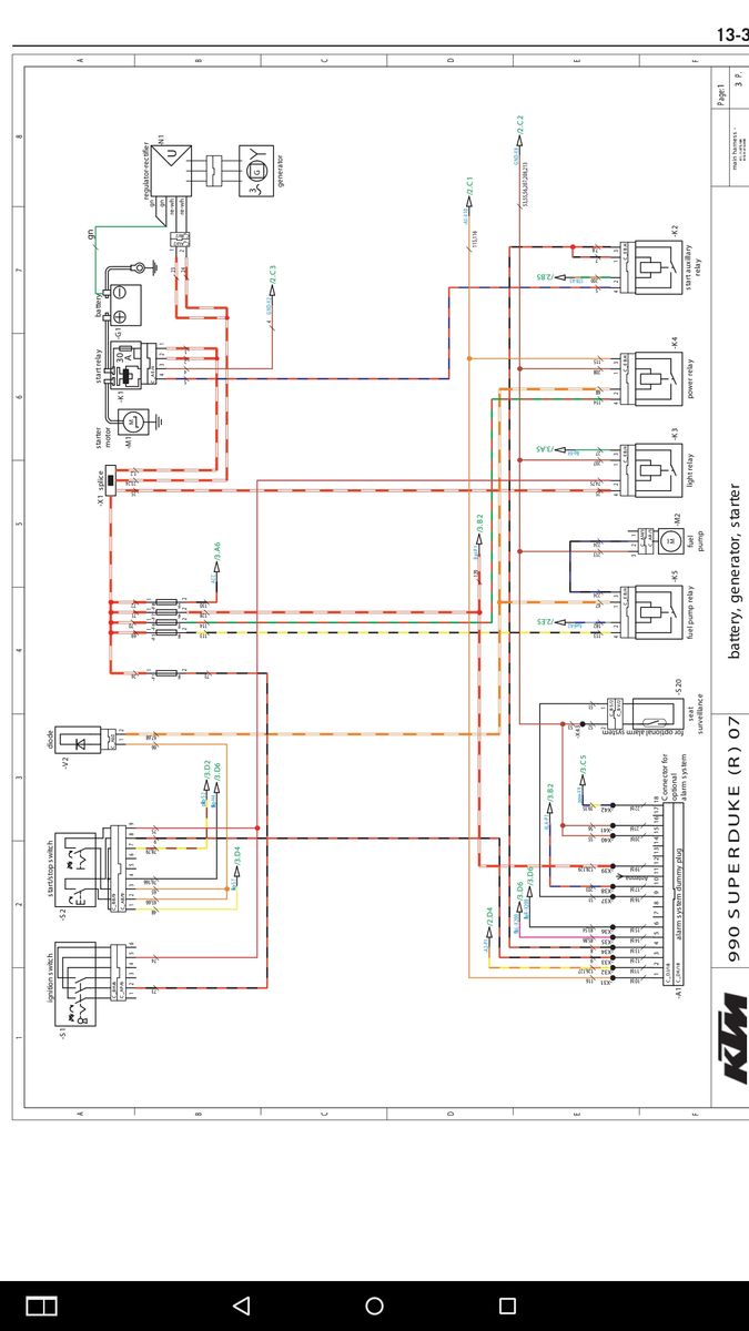
BeitragVerfasst am : Di, 23. Mai 2017, 15:24    Titel: Brücken der wegfahrsperre Antworten mit Zitat

Hallo zusammen

Ich habe auch das Problem das die datatool meiner SD 07 die Batterie leer zieht und will die Alarmanlage raus schmeissen .
Alles kein Problem bis zum Brücken der Wegfahrsperre ... weiß jemand welche Kabel gebrückt werden müssen ?
Pin 4 u. 5 (wie oben beschrieben) sind start Relais(4) und Blinker links(5) was keinen Sinn ergibt diese zu Brücken, probiert habe ich es trotzdem ohne Erfolg .
Schaltplan der SD 07 hänge ich an vielleicht kann mir ja jemand weiter helfen.



Screenshot_2017-05-23-16-21-32-140.jpeg
 Beschreibung:
 Dateigröße:  86.54 KB
 Angeschaut:  1584 mal

Screenshot_2017-05-23-16-21-32-140.jpeg



Screenshot_2017-05-23-16-21-43-247.jpeg
 Beschreibung:
 Dateigröße:  86.47 KB
 Angeschaut:  1521 mal

Screenshot_2017-05-23-16-21-43-247.jpeg


Nach oben
Benutzer-Profile anzeigen 
v2loverOffline
Sponsor
Sponsor
Anmeldungsdatum: 16.11.2008
Beiträge insgesamt: 2167

BeitragVerfasst am : Di, 23. Mai 2017, 15:28    Titel: Antworten mit Zitat

gibt einen blindstopfen (original) dafür;
ist bei allen die keine aa haben drann;

_________________
the older I get; the better I was
frauen sind die einzige beute die ihrem jäger auflauern
.....und immer sind die anderen die idioten, aber bedenke, selbst ist man auch für jeden der andere !!!!
Nach oben
Benutzer-Profile anzeigen 
PieTTOffline
Sponsor
Sponsor
Avatar

Anmeldungsdatum: 13.07.2006
Beiträge insgesamt: 2212
KTM LC8 SE 950, 2006
 →  90.000 km
KTM LC8 1190 R Adventure
 →  30.000 km
EXC 530 450, Yam TT, Honda XR, Maico MC, Suzuki MC
 →  100.000 km

BeitragVerfasst am : Di, 23. Mai 2017, 18:34    Titel: Antworten mit Zitat

Die Hilfe (Antworten) sind echt toll, das ist es, was ein Forum ausmacht. Nur, warum die Wegfahrsperre ausbauen? Klingt, als würde ein Dieb Tipps brauchen. Zum Glück scheinbar kompliziert .. gruebel
_________________
Brät PieTT - nimmer am Gas °° °
na ja, fast nimmer Rolling Eyes
Nach oben
Benutzer-Profile anzeigen 
Wolfgang.AOffline
Sponsor
Sponsor
Avatar

Anmeldungsdatum: 31.03.2016
Beiträge insgesamt: 327
Husqvarna Norden 901
 →  1.000 km

BeitragVerfasst am : Di, 23. Mai 2017, 18:39    Titel: Antworten mit Zitat

PieTT @ Di, 23. Mai 2017, 19:34 hat folgendes geschrieben:
Die Hilfe (Antworten) sind echt toll, das ist es, was ein Forum ausmacht. Nur, warum die Wegfahrsperre ausbauen? Klingt, als würde ein Dieb Tipps brauchen. Zum Glück scheinbar kompliziert .. gruebel

Eigentlich will der Threadstarter ja die Alarmanlage ausbauen, weil ihm die zu viel Strom zieht.
Beim Ausbau der Alarmanlage muss die Wegfahrsperrfunktion der Alarmanlage deaktiviert werden.
Das hat nichts mit der Wegfahrsperre die durch den Schlüssel deaktiviert wird zu tun.

_________________
Der Weg ist das Ziel!
Nach oben
Benutzer-Profile anzeigen 
HotFireOffline
Sponsor
Sponsor
Avatar

Anmeldungsdatum: 11.04.2007
Beiträge insgesamt: 3677
Alter: 49
HABE FERTIG

BeitragVerfasst am : Di, 23. Mai 2017, 19:52    Titel: Antworten mit Zitat

hier werden wohl zwei Sachen vermischt Leute:


Der Threadstarter sprach generell von einer 990er ADV BJ. 2012 ob er die WFS oder das Alarmanlagen Trennrelais meinte weiss ich nicht genau.



Der NEUE spricht von einer 990er Super Duke BJ. 2007 (hier mit 10 Minuten Aufwand zu erledigen)


Bei ner 990er ADV BJ. 2007 ist die Sache in 1 Minute erledigt.


SOLLTEN WIR ABER VOM START INTERLOCK SPRECHEN, DANN IST DIE SACHE UM LÄNGEN AUFWÄNDIGER.

_________________


KTM & HUSQVARNA - STAMMTISCH
Nach oben
Benutzer-Profile anzeigen 
desperados08Offline
LC8 Junkie
Anmeldungsdatum: 16.02.2012
Beiträge insgesamt: 369
Keine KTM

BeitragVerfasst am : Di, 23. Mai 2017, 21:47    Titel: Antworten mit Zitat

Nur mal am Rande, ich hatte ursprünglich das Thema aufgemacht!! Mich 'nervt' jegliches zuviel Elektronik an meinen Fahrzeugen...am liebsten ist mir mein glühkopf lanz Mr. Green deswegen und weil es auf reisen in fernen Ländern eine unbrauchbare Fehlerquelle ist, wollte ich die wegfahrsperre loswerden. (Nix mit Diebstahl - hab ausreichend Geld um mein Motorrad bezahlen zu können!)

Ich bin den Mist mittlerweile los...zwar mit einigem Aufwand (vergaser, kabelbaum von ner 950 SE, neue anderer Tacho/DZM), aber es läuft!

Also nun bitte beim Thema bleiben und dem Burschen mit der SD weiterhelfen! Es gibt doch sicher jemanden mit ner SD ohne AA (wahrscheinlich die meisten)...kann da nicht mal jemand den dongle vom AA Stecker anziehen und Bescheid geben welche Kabel gebrückt sind?
Nach oben
Benutzer-Profile anzeigen 
Beiträge der letzten Zeit anzeigen:   
Neues Thema eröffnen   Neue Antwort erstellen    forum.LC8.info Foren-Übersicht -> Adv - Technik/Reparatur Alle Zeiten sind GMT + 1 Stunde
Gehe zu Seite 1, 2  Weiter
Seite 1 von 2

 
Beiträge der letzten 24h (nach Forum sortiert)

Gehe zu:  
Rechte



Powered by phpBB © 2001 - 2005 phpBB Group |  Hosted and administrated by schradtnet_mini.gif | Lösche Cookies von diesem Forum
[ Time: 0.1227s ][ Queries: 45 (0.0845s) ]