|
|
| Autor |
Nachricht |
alpenfreund Hinterradspezi
Anmeldungsdatum: 17.02.2005 Beiträge insgesamt: 2413 KTM 1290 Superadventure 1290 R → 26.000 km KTM LC8 1190 Adventure, 2014 → 37.000 km
|
Verfasst am : Fr, 14. Feb 2014, 20:22 Titel: Rücklicht/Bremslicht |
|
|
Hallo! Gehört zwar nicht unbedingt hierher, aber vielleicht kann wer helfen, ist ja bei anderen KTMs auch nicht anders: bei meiner exc brennt, sobald der Motor läuft, sofort Rücklicht und Bremslicht, auch wenn das Licht gar nicht eingeschaltet ist (Schalter ist auf "aus"). Bremse betätigen macht keinen Unterschied, auch Lichtschalter betätigen nicht. Was kann das sein?
_________________ V2 macht high!
Grüße Jörg |
|
| Nach oben |
|
hakim Hinterradspezi Anmeldungsdatum: 12.09.2013 Beiträge insgesamt: 1677 KTM 1290 SuperAdventure, 2016 → 75.000 km
|
Verfasst am : Sa, 15. Feb 2014, 8:47 Titel: |
|
|
Hallo,
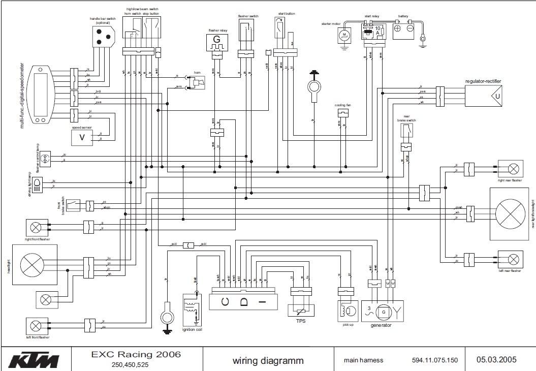
beim Rücklicht ebenso wie beim Bremslicht liegt dauerhaft Plus an, sowie der Generator Strom produziert. Geschaltet wird Masse. Für´s Rücklicht am CEV-Schalter, für´s Bremslicht am Mikroschalter der Handbremsarmatur und/oder am Druckschalter am hinteren Bremsflüssigkeitsbehälter. Wenn ohne Schalterbetätigung sowohl Rück- wie auch Bremslicht gleichzeitig brennen, handelt es sich vermutlich um einen Masseschluß im Heckkabelbaum. Als erstes die Steckverbindung des Heckkabelbaums (bei der Airbox) trennen und mittels Prüflampe checken, ob von vorne her alles OK ist, sprich sowohl Bremslicht als auch Rücklicht normal schaltbar sind. Falls da alles OK ist, den kompletten Heckkabelbaum auf Scheuerstellen prüfen bis zu den Birnenfassungen. Hast Du dagegen schon bei der Prüfung der Steckverbindung entdeckt, daß weiter vorne was nicht stimmt - z.B. Defekt im CEV-Schalter - kann es sich nur um einen Doppelfehler handeln, z.B. Defekt im CEV-Schalter + Wasser in der Heckbeleuchtung für Masseschluß zwischen Brems- und Rücklicht.
Das sind die Möglichkeiten, die mir ohne vorliegenden Schaltplan auf die Schnelle einfallen. Komplizierter geht´s natürlich immer, aber im Grunde ist die EXC-Elektrik von der einfachsten Sorte (zumindest bei den Vergasermodellen).
Hakim
|
|
| Nach oben |
|
alpenfreund Hinterradspezi
Anmeldungsdatum: 17.02.2005 Beiträge insgesamt: 2413 KTM 1290 Superadventure 1290 R → 26.000 km KTM LC8 1190 Adventure, 2014 → 37.000 km
|
Verfasst am : Sa, 15. Feb 2014, 9:52 Titel: |
|
|
danke, ich werd mal den Kabelbaum beim Heck genau untersuchen....
_________________ V2 macht high!
Grüße Jörg |
|
| Nach oben |
|
alpenfreund Hinterradspezi
Anmeldungsdatum: 17.02.2005 Beiträge insgesamt: 2413 KTM 1290 Superadventure 1290 R → 26.000 km KTM LC8 1190 Adventure, 2014 → 37.000 km
|
Verfasst am : Sa, 15. Feb 2014, 11:38 Titel: |
|
|
So den hinteren Kabelstrang zum Rücklicht habe ich durch. Alles geprüft, neues Lamperl rein und Kontakte mit Kontaktspray eingesprüht und gestartet. Wenn Lichtschalter auf "off" , dann geht das Bremslicht automatisch an, aber nicht das Rücklicht. Lichtschalter auf "on", dann brennen beide Lichter.... !
_________________ V2 macht high!
Grüße Jörg |
|
| Nach oben |
|
Ollebolle  Sponsor Anmeldungsdatum: 14.06.2005 Beiträge insgesamt: 1052 BMW R1200 GS LC Adventure → 1.000 km
|
|
| Nach oben |
|
hakim Hinterradspezi Anmeldungsdatum: 12.09.2013 Beiträge insgesamt: 1677 KTM 1290 SuperAdventure, 2016 → 75.000 km
|
Verfasst am : Sa, 15. Feb 2014, 13:23 Titel: |
|
|
Hallo ollebolle,
danke für die Richtigstellung, da habe ich wohl falsch gedacht.
Irgendwo muß beim Einschalten des Lichts Plus ans Bremslicht fließen, ich würde die Rückleuchte kontrollieren (Kontakt verdreht? Zweifadenbirne falsch eingesetzt?).
Hakim
|
|
| Nach oben |
|
Ollebolle  Sponsor Anmeldungsdatum: 14.06.2005 Beiträge insgesamt: 1052 BMW R1200 GS LC Adventure → 1.000 km
|
Verfasst am : Sa, 15. Feb 2014, 13:58 Titel: |
|
|
War mir ein Fest
Ich tippe hier eher auf einen defekten Bremslichtschalter.
Auch wenn's auf dem Schaltplan nicht so aussieht ist der vordere ein Öffner, d.h. wenn er betätigt/gedrückt wird, öffnet er den Kontakt - das Bremslicht geht aus. Bei gezogener Bremse ist der Schalter unbetätigt, also offen.
Probleme kanns dann geben, wenn z.B. ein Zubehör-Bremshebel montiert wird, oder wenn die Griffweiten-Verstellung zu weit rausgedreht wird.
Der Mikroschalter wird dann u.U. nicht mehr betätigt.
@Jörg: Zieh einfach mal die Stecker vom Bremslichtschalter ab.
_________________ Sicheres Auftreten....auch bei völliger Ahnungslosigkeit. |
|
| Nach oben |
|
alpenfreund Hinterradspezi
Anmeldungsdatum: 17.02.2005 Beiträge insgesamt: 2413 KTM 1290 Superadventure 1290 R → 26.000 km KTM LC8 1190 Adventure, 2014 → 37.000 km
|
Verfasst am : So, 16. Feb 2014, 17:37 Titel: |
|
|
So - Fehler gefunden ! Beim Handbremshebel lag der Fehler. Der drückte das kleine Zäpfchen beim Bremslichtschalter nicht ganz rein, daher brannte ständig die Lampe. Hab ein Kunststoffstück hinter dem Schalter reingeklebt - das Zäpfchen steht jetzt weiter vor, jetzt funktionierst immer . Danke!
_________________ V2 macht high!
Grüße Jörg |
|
| Nach oben |
|
Ollebolle  Sponsor Anmeldungsdatum: 14.06.2005 Beiträge insgesamt: 1052 BMW R1200 GS LC Adventure → 1.000 km
|
Verfasst am : So, 16. Feb 2014, 20:11 Titel: |
|
|
Sach ich doch...
_________________ Sicheres Auftreten....auch bei völliger Ahnungslosigkeit. |
|
| Nach oben |
|
hakim Hinterradspezi Anmeldungsdatum: 12.09.2013 Beiträge insgesamt: 1677 KTM 1290 SuperAdventure, 2016 → 75.000 km
|
Verfasst am : Mo, 17. Feb 2014, 7:27 Titel: |
|
|
Hallo Ollebolle,
Ehre, wem Ehre gebührt!
Hakim
|
|
| Nach oben |
|
Ollebolle  Sponsor Anmeldungsdatum: 14.06.2005 Beiträge insgesamt: 1052 BMW R1200 GS LC Adventure → 1.000 km
|
Verfasst am : Mo, 17. Feb 2014, 12:20 Titel: |
|
|
War nicht sooooo schwer zu erraten, hatte ich an den beiden Husabergs auch schon.
_________________ Sicheres Auftreten....auch bei völliger Ahnungslosigkeit. |
|
| Nach oben |
|
|