|
|
|
|
|
|
| Autor |
Nachricht |
IF3  Sponsor
Anmeldungsdatum: 11.02.2008 Beiträge insgesamt: 2613 KTM LC8 Adv 950 S, 2004 → 62.000 km Royal Enfield Himalayan 411 → 6.000 km
|
Verfasst am : Mi, 17. Okt 2012, 18:44 Titel: |
|
|
| IF3 @ Mi, 17. Okt 2012, 18:08 hat folgendes geschrieben: | | to.we @ Mi, 17. Okt 2012, 15:05 hat folgendes geschrieben: | | IF3 @ Mi, 17. Okt 2012, 14:48 hat folgendes geschrieben: | | to.we @ Mi, 17. Okt 2012, 14:32 hat folgendes geschrieben: | Ich denke mit "kurz knurren" ist die Benzinpumpe gemeint...oder  |
Nö, Tank ist noch nicht montiert, wollte nur sehen ob der Motor durchdreht! |
Knurren = vielleicht "flatternde" Relais ? |
Das Knurren kommt vom Starterrelais.
Ich muss irgendwo n Fehler bei der Verkabelung gemacht haben.
Aber eigentlich passen alle Stecker ja nur einmal, also irgend ein Massekabel?
Kommt das Massekabel aus dem linken Kabelbaum an den Anlasser?  |
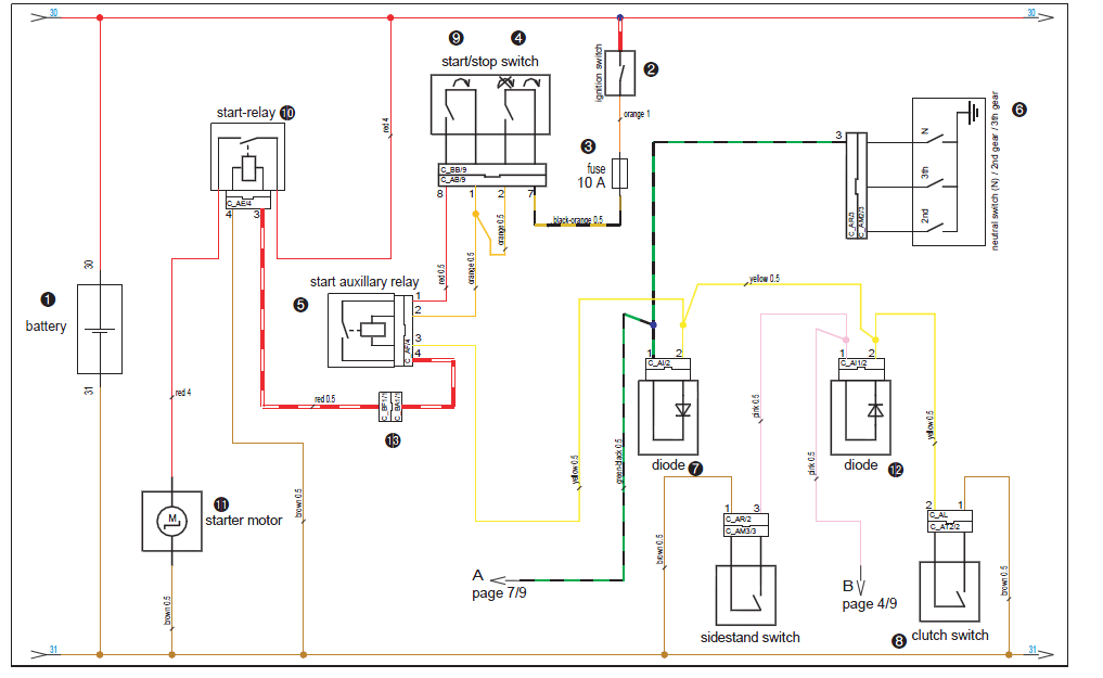
Hat vielleicht jemand ´n menschenverständlichen Schaltplan auf Lager?!
_________________ Der Schlechte Weg ist das Ziel  |
|
| Nach oben |
|
Balder681 Asphaltcowboy
Anmeldungsdatum: 08.09.2010 Beiträge insgesamt: 92 KTM LC8 Adv 990, 2006 → 31.000 km KTM LC8 Adv 990 R, 2009
|
Verfasst am : Mi, 17. Okt 2012, 19:05 Titel: |
|
|
Hi!
hoffe die Screenshots helfen dir weiter.
Beim Anlasser, der Plus kommt von der Starterrelais direkt,
Masse zum Rahmen. Alles auf der rechte Seite.
| Beschreibung: |
|
 Download |
| Dateiname: |
Clipboard02.png |
| Dateigröße: |
108.34 KB |
| Heruntergeladen: |
727 mal |
| Beschreibung: |
|
 Download |
| Dateiname: |
Clipboard03.png |
| Dateigröße: |
141.79 KB |
| Heruntergeladen: |
681 mal |
| Beschreibung: |
|
 Download |
| Dateiname: |
Clipboard04.png |
| Dateigröße: |
55.63 KB |
| Heruntergeladen: |
738 mal |
_________________ There are no bad machines, there are bad owners! |
|
| Nach oben |
|
IF3  Sponsor
Anmeldungsdatum: 11.02.2008 Beiträge insgesamt: 2613 KTM LC8 Adv 950 S, 2004 → 62.000 km Royal Enfield Himalayan 411 → 6.000 km
|
Verfasst am : Mi, 17. Okt 2012, 19:20 Titel: |
|
|
Nik, habe keine Masseverbindung zum Rahmen hergestellt!
Welches Kabel kommt denn an den Rahmen und wo?
_________________ Der Schlechte Weg ist das Ziel  |
|
| Nach oben |
|
Balder681 Asphaltcowboy
Anmeldungsdatum: 08.09.2010 Beiträge insgesamt: 92 KTM LC8 Adv 990, 2006 → 31.000 km KTM LC8 Adv 990 R, 2009
|
Verfasst am : Mi, 17. Okt 2012, 20:00 Titel: |
|
|
Vielleicht könntest du mal ein paar Bilder machen und zeigen wie das jetzt beim Anlasser ausschaut?
Hab mal ein Foto rausgefunden und im rot markiert - den Kabel hab ich bei mir vom dort zum Rahmen.
| Beschreibung: |
|
| Dateigröße: |
746.15 KB |
| Angeschaut: |
6916 mal |

|
_________________ There are no bad machines, there are bad owners! |
|
| Nach oben |
|
IF3  Sponsor
Anmeldungsdatum: 11.02.2008 Beiträge insgesamt: 2613 KTM LC8 Adv 950 S, 2004 → 62.000 km Royal Enfield Himalayan 411 → 6.000 km
|
Verfasst am : Mi, 17. Okt 2012, 20:05 Titel: |
|
|
Wo hast Du es am Rahmen befestigt?
_________________ Der Schlechte Weg ist das Ziel  |
|
| Nach oben |
|
Balder681 Asphaltcowboy
Anmeldungsdatum: 08.09.2010 Beiträge insgesamt: 92 KTM LC8 Adv 990, 2006 → 31.000 km KTM LC8 Adv 990 R, 2009
|
Verfasst am : Mi, 17. Okt 2012, 20:24 Titel: |
|
|
Auf der rechten Seite. Schau Screenshot.
LG
| Beschreibung: |
|
 Download |
| Dateiname: |
bateriekasten.png |
| Dateigröße: |
34.79 KB |
| Heruntergeladen: |
769 mal |
_________________ There are no bad machines, there are bad owners! |
|
| Nach oben |
|
IF3  Sponsor
Anmeldungsdatum: 11.02.2008 Beiträge insgesamt: 2613 KTM LC8 Adv 950 S, 2004 → 62.000 km Royal Enfield Himalayan 411 → 6.000 km
|
Verfasst am : Mi, 17. Okt 2012, 20:34 Titel: |
|
|
| Balder681 @ Mi, 17. Okt 2012, 20:24 hat folgendes geschrieben: | Auf der rechten Seite. Schau Screenshot.
LG |
Dir und schönen Abend!!!
_________________ Der Schlechte Weg ist das Ziel  |
|
| Nach oben |
|
Schlucki0606 Tremalzobezwinger Anmeldungsdatum: 02.06.2009 Beiträge insgesamt: 200 KTM 1050 ADV → 12.000 km Yamaha Super Tenere 1200 → 48.000 km
|
Verfasst am : Do, 18. Okt 2012, 12:14 Titel: |
|
|
| Dreht der Motor jetzt ?
|
|
| Nach oben |
|
IF3  Sponsor
Anmeldungsdatum: 11.02.2008 Beiträge insgesamt: 2613 KTM LC8 Adv 950 S, 2004 → 62.000 km Royal Enfield Himalayan 411 → 6.000 km
|
Verfasst am : Do, 18. Okt 2012, 18:16 Titel: |
|
|
| Schlucki0606 @ Do, 18. Okt 2012, 12:14 hat folgendes geschrieben: | | Dreht der Motor jetzt ? |
So komme gerade aus der Garage.
1. Der Motor dreht!
2. Die Geräusche waren von der Penzinpumpe!
3. Der Motor läuft!
4. Starten geht nur mit gezogener Kupplung!
5. Oelkontolllampe geht nicht aus!
6. Leerlauf wird nicht angezeigt!
_________________ Der Schlechte Weg ist das Ziel  |
|
| Nach oben |
|
Balder681 Asphaltcowboy
Anmeldungsdatum: 08.09.2010 Beiträge insgesamt: 92 KTM LC8 Adv 990, 2006 → 31.000 km KTM LC8 Adv 990 R, 2009
|
Verfasst am : Do, 18. Okt 2012, 20:03 Titel: |
|
|
Der Motor wurde schon zerlegt?
Versuch mal die Gänge durchzuschalten und schau ob der Leergang nicht irgendwo zwischen 3-4 oder 5-6 gang ist. (Motor nicht eingeschaltet, mit der Öldrucklampe sollte man nicht scherzen :-) )
LG,
Nik.
_________________ There are no bad machines, there are bad owners! |
|
| Nach oben |
|
IF3  Sponsor
Anmeldungsdatum: 11.02.2008 Beiträge insgesamt: 2613 KTM LC8 Adv 950 S, 2004 → 62.000 km Royal Enfield Himalayan 411 → 6.000 km
|
Verfasst am : Do, 18. Okt 2012, 22:46 Titel: |
|
|
alles i.o. er läuft Danke an Alle, die geholfen haben!
_________________ Der Schlechte Weg ist das Ziel  |
|
| Nach oben |
|
Balder681 Asphaltcowboy
Anmeldungsdatum: 08.09.2010 Beiträge insgesamt: 92 KTM LC8 Adv 990, 2006 → 31.000 km KTM LC8 Adv 990 R, 2009
|
Verfasst am : Do, 18. Okt 2012, 22:55 Titel: |
|
|

_________________ There are no bad machines, there are bad owners! |
|
| Nach oben |
|
IF3  Sponsor
Anmeldungsdatum: 11.02.2008 Beiträge insgesamt: 2613 KTM LC8 Adv 950 S, 2004 → 62.000 km Royal Enfield Himalayan 411 → 6.000 km
|
Verfasst am : Do, 18. Okt 2012, 23:02 Titel: |
|
|
| Balder681 @ Do, 18. Okt 2012, 22:55 hat folgendes geschrieben: |   |
_________________ Der Schlechte Weg ist das Ziel  |
|
| Nach oben |
|
d-line75  Sponsor
Anmeldungsdatum: 12.05.2008 Beiträge insgesamt: 1329 KTM EXC 350F SixDays Yamaha T700 Word Raid
|
Verfasst am : Do, 18. Okt 2012, 23:58 Titel: |
|
|
Glückwunsch und
_________________ Gruß d-line75
Wenn ich hinten bin, ist hinten vorne  |
|
| Nach oben |
|
IF3  Sponsor
Anmeldungsdatum: 11.02.2008 Beiträge insgesamt: 2613 KTM LC8 Adv 950 S, 2004 → 62.000 km Royal Enfield Himalayan 411 → 6.000 km
|
Verfasst am : Fr, 19. Okt 2012, 22:07 Titel: |
|
|
| d-line75 @ Do, 18. Okt 2012, 23:58 hat folgendes geschrieben: | Glückwunsch und  |
Danke, heute gefahren und da ist wieder!
_________________ Der Schlechte Weg ist das Ziel  |
|
| Nach oben |
|
|
|